上海恒點傳動設備有限公司
加微信聯系 恒點減速機QQ2:51228482
[HTML] [XML]  産品展示産品展示-RSS  新聞中心新聞中心-RSS  技術支持技術支持-RSS
産品分類: 減速機蝸輪絲杆升降機轉向箱蝸輪蝸杆減速機齒輪減速機行星齒輪減速機擺線針輪減速機無級變速機大功率減速器
上海恒點傳動設備有限公司
資訊分類
和産品相關的技術文章
當前位置:網站首頁 > 技術支持 > T10-1:1-1-U轉向箱外形尺寸及實物圖 水平輸入 豎直向上輸出-上海恒點

T10-1:1-1-U轉向箱外形尺寸及實物圖 水平輸入 豎直向上輸出-上海恒點

Tags: T螺旋傘齒輪轉向箱    發布時間: 2023-08-24
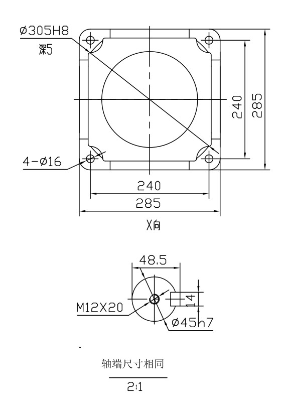
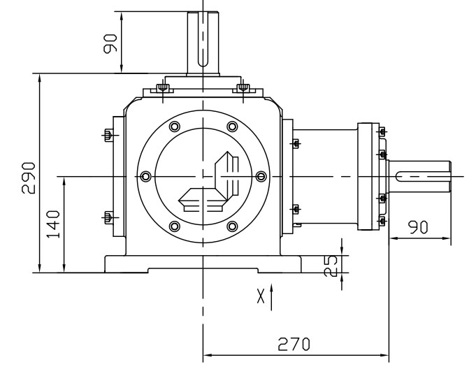
  T10-1:1-1-U轉向箱水平輸入,豎直向上輸出。輸入軸和輸出軸相同,均爲軸徑45,軸長90,開口鍵14,軸端M12*20的螺紋孔,底面安裝距離爲240*240,中心高爲140。
  T10的重量爲80KG,加油量爲5L,油号爲220#工業齒輪油。初期使用二周或100-200小時,爲初摩耗期,這之間可能有少許金屬摩耗粉粒,請務必清潔内部,並更換新的潤滑油。長期使用時,每半年至一年或1000-2000小時更換一次潤滑油。
 T10-1:1-1-U轉向箱實(shí)物圖(tú)如下
T10-1:1-1-U轉向箱實物圖

T10-1:1-1-U轉向箱外形尺寸:
T10-1:1-1-U轉向箱外形尺寸
T10-1:1-1-U轉向箱外形尺寸
上一篇 上一篇: HD17-1:1-A(C)齒輪換向器 軸入軸出 實物和外形尺寸圖-恒點
下一篇 下一篇: T16-2:1-1-L-O轉向箱實物及外形尺寸圖-上海恒點
相關新聞文章 > 查看更多
軸承異響-部件損傷與直接失效 2026-01-22
各種交流電動機的旋轉原理 2025-12-11
氣壓傳動的優點和缺點 2025-11-20
編制工藝規程時必須具備的原始資料有哪些 2025-10-28
什麽叫沖壓,沖壓有哪些優點? 2025-09-18
簡述火焰矯正的原理 2025-08-21
數控加工的基本原理是什麽 2025-07-07
壓鑄小知識介紹 2025-06-09
錐齒輪承載能力計算方法第1部分:概述和通用影響系數附錄B、C(GB/T10062.1-2003) 2025-04-23
什 麽 是 關 節 軸 承 ? 2025-02-13
什 麽 是 關 節 軸 承? 2025-01-14
什麽是低溫軸承? 2024-12-04
返回頂部 關閉本頁】 【打印本頁
電 話:021-22815912  021-22816186  傳 真:021-32050712   郵箱:sales@021jsj.cn  減速機 絲杆升降機 轉向箱 蝸輪蝸杆減速機
Copyright©2009-2026上海恒點傳動設備有限公司 版權所有  地址:上海市金山區亭林鎮林寶路39号  郵編 :200442  滬ICP備10206998号-2 
友情鏈接機械設備網 | 渦街流量計 | 輸送機 | 變頻控制櫃 | 破碎機 | 工業同城 | 手持終端 | 柴油發電機 | uv平闆打印機 | 風淋室 | QUV | 防火門 | 九愛圖紙 | 感應加熱設備 | 輸送帶廠家 | 噪聲治理 | 西門子plc | 拖鏈電纜 | AGV | 機械雜志 | 現代機械 | UWB高精度定位 |