加微信聯系
[HTML]
[XML]
産品展示
新聞中心
技術支持
網站首頁
公司介紹
産品展示
行業資訊
技術支持
樣本下載
産品應用
在線訂購
在線留言
聯系我們
産品分類:
減速機
┊
蝸輪絲杆升降機
┊
轉向箱
┊
蝸輪蝸杆減速機
┊
齒輪減速機
┊
行星齒輪減速機
┊
擺線針輪減速機
┊
無級變速機
┊
大功率減速器
┊
資訊分類
新聞中心
技術支持
産品資訊
和産品相關的技術文章
SWL蝸輪絲杆升降機
TRSS系列絲杆升降機
JWM螺旋升降機
T螺旋傘齒輪轉向箱
ARA螺旋錐齒輪轉向箱
HD螺旋錐齒換向器
R系列斜齒輪硬齒面減速機
S系列斜齒輪蝸輪減速機
K系列螺旋錐齒輪減速機
F系列平行軸斜齒輪減速機
RV系列蝸輪蝸杆減速機
WP鑄鐵蝸輪蝸杆減速機
伺服行星減速機
P系列行星齒輪減速器
X/B系列擺線針輪減速機
WB微型擺線減速機
MB無級變速機
G全封閉齒輪減速電機
MC硬齒面減速器
HB标準工業齒輪箱
Z系列硬齒面圓柱齒輪減速機
當前位置:
網站首頁
>
技術支持
> HD14換向器 軸入軸出 HD14-1:1-E實物圖-恒點
HD14換向器 軸入軸出 HD14-1:1-E實物圖-恒點
Tags:
HD螺旋錐齒換向器
發布時間: 2023-09-05
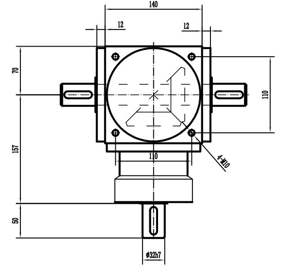
HD14換向器,軸入軸出,型号舉例:HD14-1:1-E,當輸入爲1500轉時,許用輸入功率爲23.9KW,HD14的重量爲20KG,水平安裝時,加油量爲0.4L齒輪油(220#)。
HD14-1:1-E的外形安裝尺寸如下:輸入和輸出軸徑32mm,軸長50mm,水平安裝時,中心高爲70mm,換向器的中心到輸入長軸的距離爲207mm,到短軸的距離爲134mm,安裝孔爲4-M10的螺紋孔。
以下是HD14-1:1-E的實物圖和二維外形尺寸圖,如果需要三維圖,請來電索取。
上一篇:
XB系列擺線針輪減速機的潤滑
下一篇:
RV063輸入配伺服法蘭110*110 輸出通孔 實物圖-恒點
相關新聞文章
> 查看更多
軸承異響-關聯部件與設計問題
2026-01-26
滑動軸承主要故障規則
2025-12-15
變頻器應用中的幹擾問題及其對策
2025-11-24
簡述火焰矯正的原理
2025-10-30
車削螺紋時常見故障及解決方法-中徑不正確
2025-09-01
如何實現測量系統在複雜車間環境下的應用
2025-07-09
國産的閉式齒輪油有哪些種?
2025-06-13
錐齒輪承載能力計算方法第1部分:概述和通用影響系數動載系數KV(GB/T10062.1-2003)
2025-04-25
齒輪圓周力是怎麽計算出來的
2025-02-24
什麽是高溫軸承?主要用於哪些領域?
2025-01-16
什麽是軸承規格?
2024-12-10
什 麽 是 滾 動 體 引 導
2024-11-25
【
關閉本頁
】 【
打印本頁
】
電 話:021-22815912 021-22816186 傳 真:021-32050712 郵箱:sales@021jsj.cn
減速機
絲杆升降機
轉向箱
蝸輪蝸杆減速機
Copyright
©
2009-2026
上海恒點傳動設備有限公司
版權所有 地址:上海市金山區亭林鎮林寶路39号 郵編:200442
滬ICP備10206998号-2
友情鏈接
:
機械設備網
|
渦街流量計
|
輸送機
|
變頻控制櫃
|
破碎機
|
工業同城
|
手持終端
|
柴油發電機
|
uv平闆打印機
|
風淋室
|
QUV
|
防火門
|
九愛圖紙
|
感應加熱設備
|
輸送帶廠家
|
噪聲治理
|
西門子plc
|
拖鏈電纜
|
AGV
|
機械雜志
|
現代機械
|
UWB高精度定位
|
×
手機用戶請長(zhǎng)按添加到“照片”,然後(hòu)打開微信掃一掃選擇二維碼。